Email us
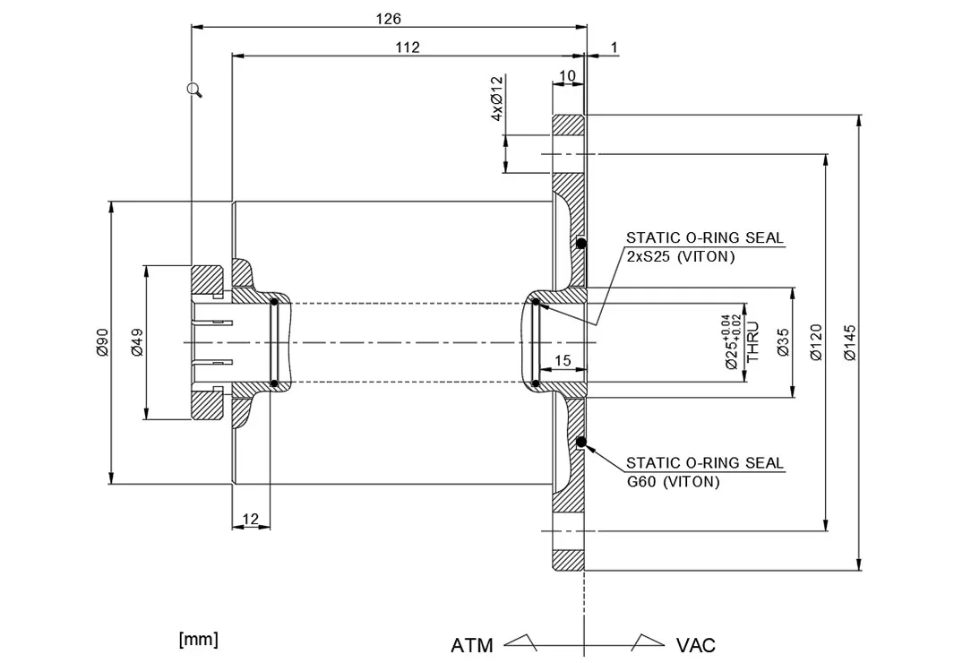
hfb050cn flange mount feedthroughs with hollow shaft1
hfb050cn flange mount feedthroughs with hollow shaft5
hfb050cn flange mount feedthroughs with hollow shaft3
hfb050cn flange mount feedthroughs with hollow shaft2
hfb050cn flange mount feedthroughs with hollow shaft4
hfb050cn flange mount feedthroughs with hollow shaft1
hfb050cn flange mount feedthroughs with hollow shaft5
hfb050cn flange mount feedthroughs with hollow shaft3
hfb050cn flange mount feedthroughs with hollow shaft2
hfb050cn flange mount feedthroughs with hollow shaft4

HFG025CC Flange Mount Feedthroughs with Hollow Shaft and Cantilevered Design

Specification of HFG025CC Hollow Shaft Flange Mount Feedthroughs

hfg025cc.jpg


Contact Us
Contact Information
Your Request
The Applications of Rotary vacuum feedthroughs | Case Studies in Semiconductors, Medical Devices, and Other Industries!
Dec 26 2025
This article explains how to select the most suitable magnetic fluid seal based on:• Industries where magnetic fluid seals are used• Selecting the best seal for specific applications• Advantages of...