Email us

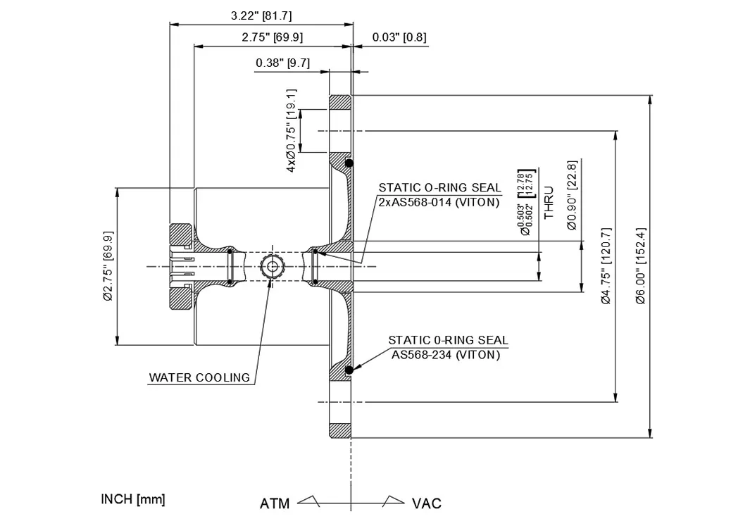
IHFB0500MN Flange Mount Feedthroughs with Hollow Shaft

Specification of IHFB0500MN Hollow Shaft Flange Mount Feedthroughs

ihfb0500mn.jpg




Contact Us
Contact Information
Your Request
The Applications of Rotary vacuum feedthroughs | Case Studies in Semiconductors, Medical Devices, and Other Industries!
Dec 26 2025
This article explains how to select the most suitable magnetic fluid seal based on:• Industries where magnetic fluid seals are used• Selecting the best seal for specific applications• Advantages of...