Email us

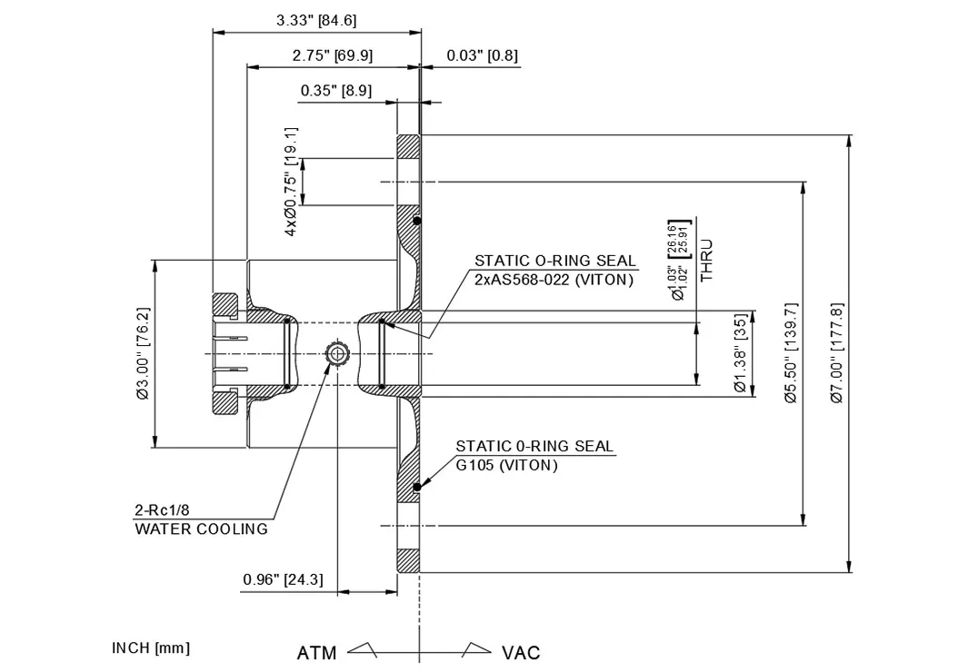
IHFB1000WN Flange Mount Feedthroughs with Hollow Shaft

Specification of IHFB1000WN Hollow Shaft Flange Mount Feedthroughs

ihfb1000wn.jpg



Contact Us
Contact Information
Your Request
The Applications of Rotary vacuum feedthroughs | Case Studies in Semiconductors, Medical Devices, and Other Industries!
Dec 26 2025
This article explains how to select the most suitable magnetic fluid seal based on:• Industries where magnetic fluid seals are used• Selecting the best seal for specific applications• Advantages of...