Email us

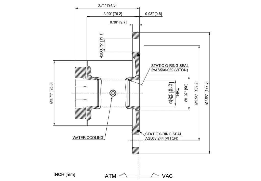
IHFB1500MNC01 Water-cooling Feedthrough with Flange Mounting and Hollow Shaft

Specification of IHFB1500MNC01 Hollow Shaft Flange Mount Feedthroughs

ihfb1500mnc01.jpg


Contact Us
Contact Information
Your Request
Engineering Excellence: A Technical Guide to Customizing Magnetic Fluid Sealing Units for Harsh Environments
Apr 03 2026
In aerospace systems, vacuum furnaces, semiconductor equipment, and high precision automation, sealing performance cannot be treated as a standard catalog item. Once a rotating vacuum interface must o...