Email us
isfb0250nnc02c flange mount feedthroughs with solid shaft2
isfb0250nnc02c flange mount feedthroughs with solid shaft1
isfb0250nnc02c flange mount feedthroughs with solid shaft3
isfb0250nnc02c flange mount feedthroughs with solid shaft4
isfb0250nnc02c flange mount feedthroughs with solid shaft5
isfb0250nnc02c flange mount feedthroughs with solid shaft2
isfb0250nnc02c flange mount feedthroughs with solid shaft1
isfb0250nnc02c flange mount feedthroughs with solid shaft3
isfb0250nnc02c flange mount feedthroughs with solid shaft4
isfb0250nnc02c flange mount feedthroughs with solid shaft5

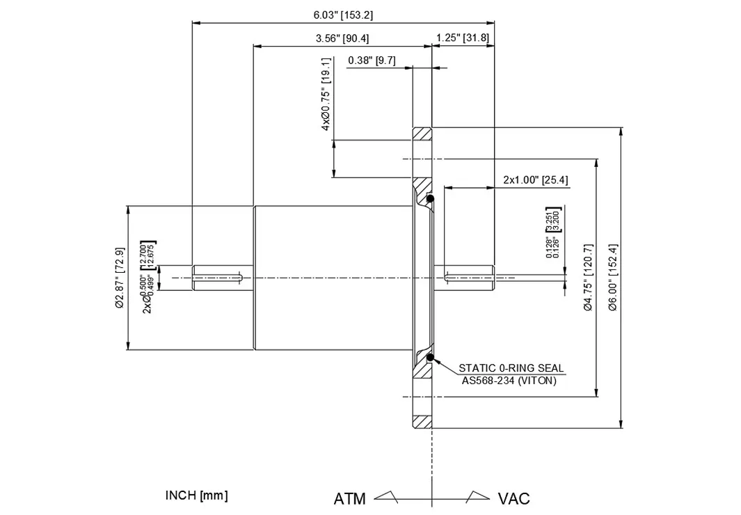
ISFB0500NN Flange Mount Feedthroughs with Solid Shaft

Specification of ISFB0500NN Solid Shaft Mini-Flange Feedthroughs

isfb0500nn.jpg



Contact Us
Contact Information
Your Request
The Applications of Rotary vacuum feedthroughs | Case Studies in Semiconductors, Medical Devices, and Other Industries!
Dec 26 2025
This article explains how to select the most suitable magnetic fluid seal based on:• Industries where magnetic fluid seals are used• Selecting the best seal for specific applications• Advantages of...