Email us
isnb0250nn nut mount feedthroughs with solid shaft4
isnb0250nn nut mount feedthroughs with solid shaft1
isnb0250nn nut mount feedthroughs with solid shaft2
isnb0250nn nut mount feedthroughs with solid shaft3
isnb0250nn nut mount feedthroughs with solid shaft5
isnb0250nn nut mount feedthroughs with solid shaft4
isnb0250nn nut mount feedthroughs with solid shaft1
isnb0250nn nut mount feedthroughs with solid shaft2
isnb0250nn nut mount feedthroughs with solid shaft3
isnb0250nn nut mount feedthroughs with solid shaft5

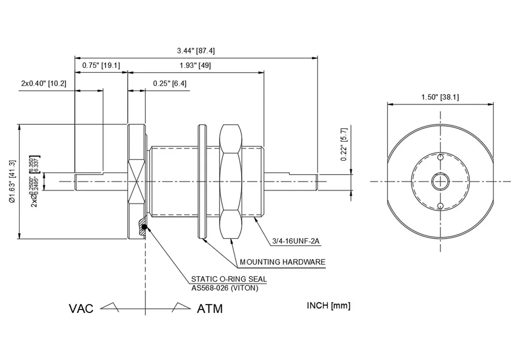
ISNB0250NN Nut-Mount Feedthroughs with Solid Shaft

Specification of ISNB250NN Solid Shaft Mini-Flange Feedthroughs

isnb0250nn.jpg



Contact Us
Contact Information
Your Request
The Applications of Rotary vacuum feedthroughs | Case Studies in Semiconductors, Medical Devices, and Other Industries!
Dec 26 2025
This article explains how to select the most suitable magnetic fluid seal based on:• Industries where magnetic fluid seals are used• Selecting the best seal for specific applications• Advantages of...