Email us
sfb010wn flange mount feedthroughs with solid shaft4
sfb010wn flange mount feedthroughs with solid shaft1
sfb010wn flange mount feedthroughs with solid shaft2
sfb010wn flange mount feedthroughs with solid shaft3
sfb010wn flange mount feedthroughs with solid shaft5
sfb010wn flange mount feedthroughs with solid shaft4
sfb010wn flange mount feedthroughs with solid shaft1
sfb010wn flange mount feedthroughs with solid shaft2
sfb010wn flange mount feedthroughs with solid shaft3
sfb010wn flange mount feedthroughs with solid shaft5

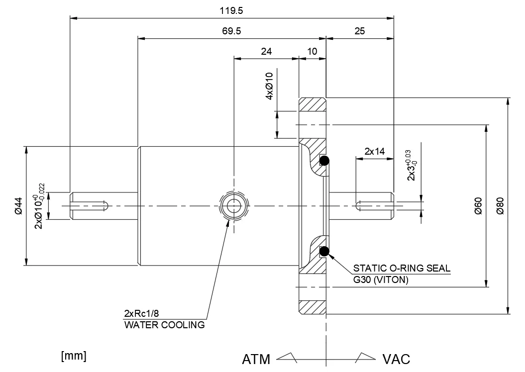
SFB010WN Flange Mount Feedthroughs with Solid Shaft

Specification of SFB010WN Solid Shaft Mini-Flange Feedthroughs

SFB010WN (002).png



Contact Us
Contact Information
Your Request
The Applications of Rotary vacuum feedthroughs | Case Studies in Semiconductors, Medical Devices, and Other Industries!
Dec 26 2025
This article explains how to select the most suitable magnetic fluid seal based on:• Industries where magnetic fluid seals are used• Selecting the best seal for specific applications• Advantages of...