Email us
sfb010wn-7
sfb010wn-5
sfb010wn-6
sfb010wn-4
sfb010wn-2
sfb010wn-3
sfb010wn-7
sfb010wn-5
sfb010wn-6
sfb010wn-4
sfb010wn-2
sfb010wn-3

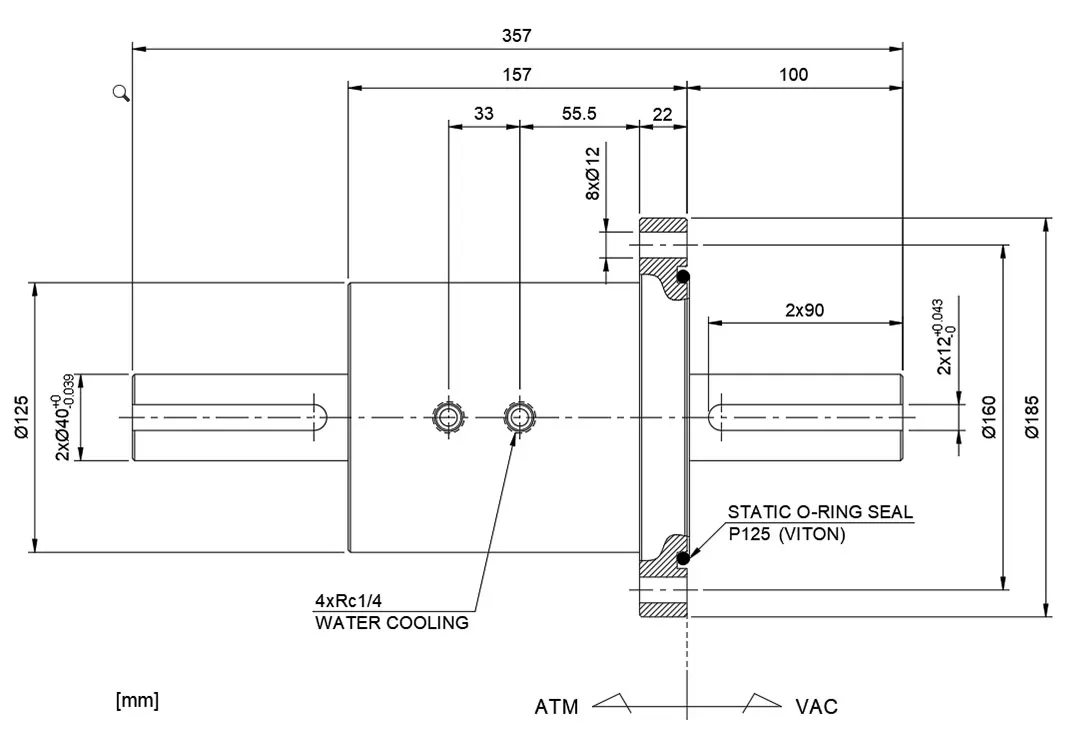
SFB040WH Solid Shaft Mini-Flange Feedthroughs

Specification of SFB040WH Solid Shaft Mini-Flange Feedthroughs

sfb040wh.jpg



Contact Us
Contact Information
Your Request
The Applications of Rotary vacuum feedthroughs | Case Studies in Semiconductors, Medical Devices, and Other Industries!
Dec 26 2025
This article explains how to select the most suitable magnetic fluid seal based on:• Industries where magnetic fluid seals are used• Selecting the best seal for specific applications• Advantages of...