Email us
snb006nn nut mount feedthroughs with solid shaft4
snb006nn nut mount feedthroughs with solid shaft1
snb006nn nut mount feedthroughs with solid shaft2
snb006nn nut mount feedthroughs with solid shaft3
snb006nn nut mount feedthroughs with solid shaft5
snb006nn nut mount feedthroughs with solid shaft4
snb006nn nut mount feedthroughs with solid shaft1
snb006nn nut mount feedthroughs with solid shaft2
snb006nn nut mount feedthroughs with solid shaft3
snb006nn nut mount feedthroughs with solid shaft5

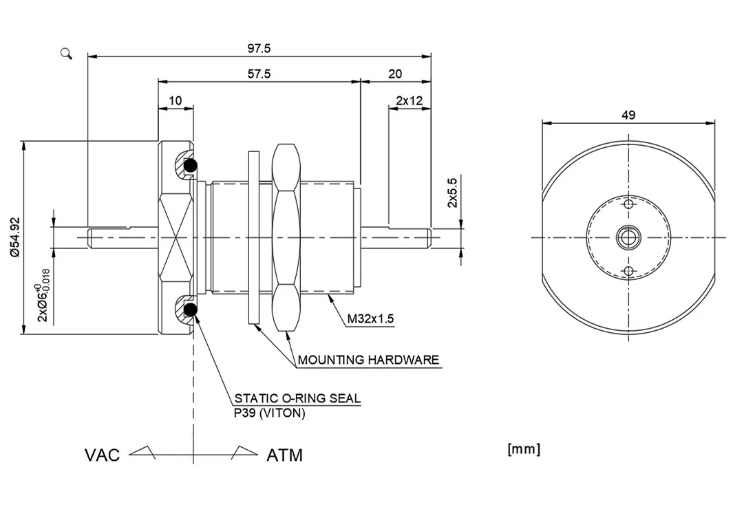
SNB006NN Nut-Mount Feedthroughs with Solid Shaft

Specification of SNB006NN Solid Shaft Mini-Flange Feedthroughs

snb006nn.jpg



Contact Us
Contact Information
Your Request
The Applications of Rotary vacuum feedthroughs | Case Studies in Semiconductors, Medical Devices, and Other Industries!
Dec 26 2025
This article explains how to select the most suitable magnetic fluid seal based on:• Industries where magnetic fluid seals are used• Selecting the best seal for specific applications• Advantages of...